GH-06020DC is GH Series Mini Ac Servo 200W  0.64 Nm 3000rpm With Brake And Cables System 220V  Servo Kit For CNC

GH Series 200W 0.64 Nm Mini Ac Servo


GH-06020DC is GH Series Mini Ac Servo 200W 0.64 Nm 3000rpm With Brake And Cables System 220V Servo Kit For CNC
Send Inquiry

GH Series 200W  0.64 Nm Mini Ac ServoSD40752075-3



`M8AR_2R@BHJ$0XG)NN0A40

Specifications

 

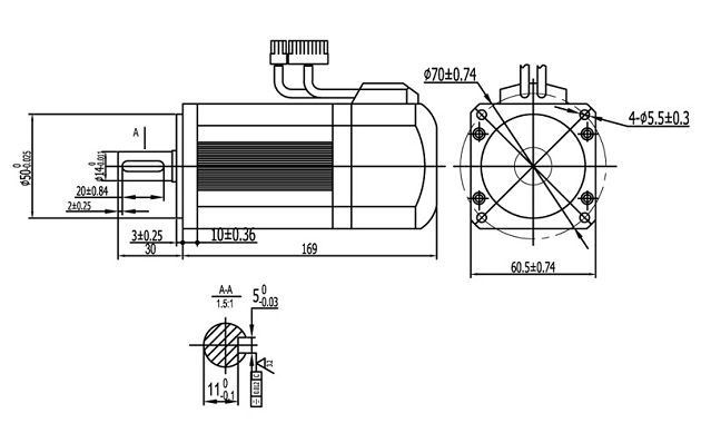
Rated Power (W): 200 W
Continuous Torque: 0.64 Nm
Peak Torque: 1.9 Nm
Rated Rotation Speed (r/min): 3000 RPM
Encoder Resolution (PPR): 2500

Rated Voltage (V): 220

Rated Current (A): 1.5

Rotor Inertia (kg.m2x10-4): 0.17 Application Environment:

Work temperature: 0°C ~ 40°C

Relative Humidity: < 90% RH

Altitude : < 1000 m

Non corrosive ,non flammable gas and dust and oil-mist


Application

CNC Machinery,printing equipment, packaging equipment, textile equipment, laser processing equipment,robotics, automated production lines, such as processing precision, processing efficiency and reliability, and other requirements of the relatively high equipment.

Motor Model SZGH-06020DC
Rated Power(W)200
Rated Voltage(V)220
Rated Crrent(A) 1.2 
Rated Speed(RPM) 3000
Rated Torque(NM)0.637
Peak Torque(NM)1.91
Voltage Constantv10r/min 30.9
Torque Coefficient(NM/A)0.53
Rotor Inertia(Kg.m²)0.175*10
Line-Line Resistance(Ω)9.18
Line-Line Inductance(mH) 29.3
Machanical Time-Constant(Ms)4.74
Encoder Resolution(PPR) 2500
Insulation Class Class B
Safety ClassIP65
The Operating of Evironmental Condition Temperature:-20℃~+45℃ Humidity Below 90%RH(No drawing)
Weight(KG)1.16

9(001)


FAQ

Q: Do you support customized manufacturing?

A: Yes,we can customized manufacturing according to customer's requirment. We support to OEM your own company display interface and logo.

Q: How long is your delivery time?

A: Generally it is 3-5 days if the goods are in stock. or it is 5-10 days if the goods are not in stock, it is according to quantity.10-20 days if customized manufacturing.

Q: Do you provide samples ? is it free or extra ?

A: Yes, we could offer the sample with sample price.

Q: What is your terms of payment ?

A: Payment<=2000USD, 100% in advance. Payment>=1000USD, 70% T/T in advance ,balance before shippment.

Does your CNC controller have PLC function?
Yes,it does.We have two kinds different configuration,one is 24*24 I/Os,the other is 32*32 I/Os.We support specified PLC software for free.Other supplier’ CNC controller does not have the PLC programming function, but our CNC1000M series has the function, also in order to convenient to our clients operation, our CNC can work programming by the computer directly, after you finished , you can copy to controller , so that you do not need stay at front of machinery , very tire to work.


If you have another question, pls feel free to contact us as below


Send Inquiry